Estufa Jotul de segunda mano
Novedades
URGE - Estufa JOTUL Serie 500 Hierro Fundido
Estufa de hierro fundido JOTUL, modelo Serie 500. - Diseño clásico y elegante. - Puerta con cristal para ver el fuego. - Base decorativa con patas.
Estufa Jotul 20 Insertable
Estufa insertable Jotul 20. Un modelo de metal con un diseño elegante. Lleva incorporado 1 ventilador y su interuptor. esta en muy buen estado . la pieza que hace de tiro esta para cambiar , aunque eso se puede solucionar a la hora del montaje poniendo un tubo con tiro incorporado. por dentro esta como nueva. estufa de segunda residencia. - Puerta con cristal. - Tirador lateral.
Estufa de leña Jotul negra
Estufa de leña Jotul con un diseño clásico y elegante. - Fabricada en metal resistente. - Puerta con cristal para ver el fuego. - Tirador lateral para apertura.
Estufa de leña Jotul Negra
Estufa de leña de la marca Jotul, con un diseño moderno y elegante. - Acabado en metal negro y gris. - Puerta con cristal para ver el fuego. - Base robusta.

Estufa de leña Jotul.
Estufa de leña Jotul en estado de uso.
Estufa de Hierro Fundido Jotul 602N,
Estufa de leña Jotul modelo 602N, fabricada en hierro fundido. Un clásico para calentar tu hogar. Está en muy buen estado, con todas sus piezas, cámara interior, y aros para cocinar. - Diseño robusto y duradero. - Puerta frontal con detalles decorativos. - Chimenea superior.
Estufa Jotul 602 N Hierro Fundido
Estufa de leña Jotul 602 N, un clásico del diseño escandinavo. Nunca se ha utilizado ni instalado es nueva para estrenar. - Fabricada en hierro fundido. - Acabado en color negro. - Base con patas.
Horno de Leña Jøtul Para Chimenea
Estufa de leña para chimenea de marca Jøtul, con detalles en metal negro y un frontal de cristal. - Marco exterior de metal negro. - Frontal de cristal. - Se entrega limpio de cenizas. - Dimensiónes de la parte empotrada: 65 x 50 x 40 - Dimensiones de la puerta: 73 x 55 cm. - Incluye tubo atornillado de 150 mm para aire fresco. - Incluido solo si hace falta: adaptador de 150 a 120mm, y tubo de salida de humo de 175 mn No incluido pero también disponible: - la estructura que lo cubre (listones metálicos, pladur, lana aislante etc). - La tubería de evacuación de humos (publicado en otro anuncio). Decorativo en mármol NO disponible
Estufa de leña JOTUL F3 - Como nueva
Estufa de hierro fundido de leña JOTUL F3 en excelente estado, prácticamente como nueva. Su diseño clásico y robusto la hace ideal para cualquier hogar. Incluye base negra de hierro fundido, ideal para facilitar la limpieza. - Puerta con ventana de cristal. - Base protectora incluida. - Chimenea de metal negro.
Estufa de leña Jotul Negra
Estufa de leña Jotul de diseño clásico y robusto. Fabricada en metal. Muy buen estado, tengo 3 iguales. - Color negro. - Materiales: metal
Estufa de leña Jotul
Estufa de leña de la marca Jotul. - Diseño robusto y elegante. - Acabado texturizado en color gris. - Puertas con manillas y discos de ventilación.
Estufa de forja antigua Jotul
Estufa de forja antigua de la marca Jotul. Un clásico para dar calidez a tu hogar. - Diseño robusto y duradero. - Acabado en hierro forjado.
Estufa Jotul 507 - Verde Oliva
Preciosa estufa de leña Jotul 507, color verde oliva. Es de metal y se encuentra en muy buen estado. - Diseño clásico y elegante. - Tres puertas con tiradores. - Decoración con relieve de caballo.
Estufa de leña jotul
Estufa de leña jotul modelo 3, doble combustión, esmaltada en blanco marfil, buen estado aunque con algún daño en el esmalte,
Chimenea Jotul F 100
Chimenea de leña Jotul F 100. - Diseño clásico y elegante. - Puerta con cristal para ver el fuego. - Fabricada en metal resistente.
Estufa Jotul antigua de metal
Preciosa estufa Jotul de metal, color negro. Se encuentra en buen estado. - Diseño clásico y elegante. - Perfecta para calentar una habitación. - Piezas de fundición de hierro.
Estufa de leña jotul
Estufa de leña marca jotul, modelo 1, con cristal. Perfecto estado.
Estufa leña Jotul 17A encastrable
Preciosa estufa de leña Jotul 17A, ideal para una instalación empotrada. Se encuentra en buen estado, aunque muestra señales de uso aunque se encendia 2 veces al año. En el interior tiene las placas gravadas. - Diseño clásico y elegante. - Fabricada en acero. - Perfecta para calentar tu hogar y decorar. Fabricación en Noruega el año 1984.
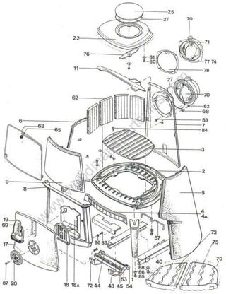
Jotul C21 - Chimenea de leña no negociable
No negociable Cassette Chimenea insertable encastrable empotrable Jotul 21 como nueva. Se vende limpia, desmontada, con todas sus piezas, y lista para recoger e instalar. Desmontada se puede transportar fácilmente entre 2 personas. Medidas en la foto. Cassette de fundición que cuenta con el sistema CB. Camara de combustión amplia. Ajuste perfecto en chimeneas ya existentes. Acabado en pintado negro. El sistema de entrada secundario mantiene el cristal limpio. Calentamiento por convección. Datos técnicos de Jøtul C 21 Peso: 115 kg Potencia calorífica: nominal 6,5 kW, máxima 9 kW Cobertura máxima (superficie): 100 m² Tamaño de tro
Estufa Jotul 1 - Negra
estufa Jotul 1 como la de la foto Se encuentra en buen estado, incluye tubo negro hasta techo. tiene la tapa superior con una raja, no se si se puede soldar. se incluye juego de accesorios como pala y cepillo. tambien se entrega una rejilla para tenerla abierta posibilidad de transporte. mas informacion 635879576
Chimenea hierro -jotul f3 Estufa leña
Preciosa chimenea de hierro fundido, ideal para calentar tu hogar(hasta 130 metros cuadrados). Es una pieza elegante y robusta, perfecta para añadir un toque rústico a cualquier espacio. - Diseño clásico con detalles decorativos. - Puerta con cristal para ver las llamas. - Base para apoyar objetos. Fabricado en Noruega Tiene tubo de dos partes para instalar en casa
Estufa Jotul - Estufa de leña de diseño
Preciosa estufa de esquina Jotul 470 en color negro. Está en buen estado, lista para disfrutar de un ambiente cálido y acogedor en tu hogar - Perfecta para rincones. - Diseño elegante y moderno. - Estructura de metal y cristal
Estufa jotul
Estufa jotul usada modelo f 360 high top, con un acumulador de calor de piedra refractaria. Muy buen estado. Pvp 3500€ Especificaciones Altura: 1534 mm Anchura: 443 mm Fondo: 453 mm Peso aproximado: 201 kg Tamaño de leña hasta: 33 cm Salida de humos Ø: 150 mm Opciones de salida de humos Superior / Trasera Potencia nominal: 6.0 KW Eficiencia: 78 % Capacidad de calentamiento hasta: 100 m² Capacidad de calentamiento (volumen)hasta: 250 m³ Emisión de CO: 0.06 % Emisión de producto en polvo: 4 mg/Nm³ Emisión de Nox: 93 mg/Nm³ Emisión de OGC: 45 mg/Nm³ Combustión estanca: Si Combustión limpia (CB): Si Toma de aire del ex
Estufa de leña jotul
Estufa jotul nueva, modelo 602, a estrenar, procede de exposición, con tapa decorativa y placa para cocinar.
Cocina de leña JOTUL J-21/22/23 TD CASSETTE.
Cocina de leña JOTUL J-21/22/23 TD CASSETTE. Fuego de leña, de hierro fundido. Buen estado y buen funcionamiento.
Jotul estufa
Estufay cocina de leña.venta en persona.
Estufa de leña Jotul 4 Isla de Pascua
Preciosa estufa de leña Jotul 4, de color negro y fabricada en hierro fundido noruego.Se encuentra en buen estado, lista para usar. - Diseño clásico y elegante. - Ideal para calentar espacios grandes. - Estructura robusta y resistente. Fabricada en el año 1984, la jotul 4 es una estufa de hierro fundido que pesa 148 kg. Pieza exclusiva, original y de coleccion por su buen estado, sin oxidos. 105 cm de altura. la salida de humos puede ser trasera o por la parte superior.
Estufa jotul
Piezas de recambio usadas para estufas jotul, son de una jotul 3, alguna sirve para más modelos, por ej las patas o la bandeja. Preguntar por precios
Estufa antigua Jotul, hierro fundido
Antigua estufa de Jotul de hierro fundido. Hecho en Noruega. Se encuentra en buen estado, aunque presenta señales de uso y óxido. Altura 75 cm. Anchura 50 cm. Profundidad 45 cm. Con 3 patas. - Ideal para una casa de campo o para decoración. - Perfecta para añadir un toque rústico a tu hogar. - Pieza única de colección.
Estufa hierro fundido Reddis Reus
Antigüedad completamente funcional. Calienta muchísimo. Altura hogar 62 cm, altura total 85 cm, diámetro boca leña 20 cm, diámetro total 40 cm. Salida humos 100 mm. Regalo tubo y codos sin estrenar. Sin podridos ni grietas. Entrega en mano o se paletiza para envío. Tags(no leer): chimenea leña caldera gasoil ferroli carbón roca victoria calefacción suelo radiante casbel aerotermia bomba calor hergom jotul salamandra acero colado brasero picón pellet olivos encina almendro pino
Estufa de gasoil- Negra
Preciosa estufa de gasoil de la marca Jøtul. Es de color negro y está fabricada en metal. - Diseño elegante y compacto. - Perfecta para calentar espacios pequeños o medianos. - Se encuentra en buen estado. -Con tubos completos y sombrerete.
Chimenea de leña jotul
Chimemea insertable jotul,cassete, estufa, Nueva a estrenar, no hay mucho más que decir... modelo c21
Estufa jotul de Gas
Estufa de gas, de la prestigiosa marca Jotul, modeló F3 de hierro fundido. Tiene también chiclé para ser utilizado con butano o propano. Esta totalmente nueva, nunca se ha usado. El precio original era 1800€.

Estufa Jotul F220 SIN ESTRENAR
Estufa de leña jotul f220 sin estrenar en azul esmsltado. OJO: sin estrenar, y esmaltada (que es mas caro), de alli su precio.
Chimenea cassette Jotul de hierro fundido
con dos ventiladores, en perfecto funcionamiento. Solo recoger
Estufa cerrada con tubos marca jotul
Estufa de caset cerrada de la marca jotul con poco uso con una puerta se puede abrir para leña o otras cosas en muy buen estado con tres tubos de un metros y dos codos que miden 0'80 de la marca jotul mide 50 x 50 x 1'00 para una idea del tamaño y conservación mirar fotos ya que forma parte de la descripción está ubicada en Gandía recoger no se manda ....a no se que se que antes ..........
Chimenea Jotul de hierro fundido
Chimenea Jotul J-21/22 TD CASSETTE de excelente y la más alta calidad. A recoger en un pueblo a 20 minutos.
Chimenea de leña Jotul 21 con ventiladores
cassette de hierro fundido como nuevo incorpora ventilacion e interruptor. marca Jotul

Chimena de pared Jotul, de fundición ya desmontada
Vendo por desuso. Acepto ofertas. Perfecto estado.
PUERTA Jotul
PUERTA Jotul para varios modelos, entre ellos 602N. En perfecto estado y funcionando.
Estufa jotul
Estufa Jotul modelo osos, es una autentica jotul de las que ya no se hacen, esta totalmente repasada de todo. Pintura. Juntas nuevas. Lista para funcionar, calienta 250 m2, es casi unica,el precio es 900 euros
Estufa Jotul F 373
Estufa giratoria sobre su base en buenas condiciones y decorativa tambien se incluye base superior de hierro fundido por si se quisiera cambiar por el cristal que lleva actualmente posibilidad de trasnporte
Estufa hierro fundido de leña JOTUL F3
Esta perfecta,como nueva, muy poco uso. No se envía. Se regala conductos si se viene a buscar y desinstalar. PRECIO NUEVA 2.450€
Estufa a gas antigua
se vende estufa colonial a gas en muy buen estado se Regalan los conductos esta completo 631235554
Estufa de fundición Jøtul 220
Vendo estufa Jøtul modelo 220, la mejor opción para mantener tu casa cálida. Fabricada en Noruega con hierro fundido de alta calidad, esta estufa es sinónimo de durabilidad y rendimiento excepcionales. Producción térmica 5,5kw Debido a su peso, 101kg, se recomienda recoger, no hacemos envíos. Tenemos los manuales, tanto de usuario como de instalación
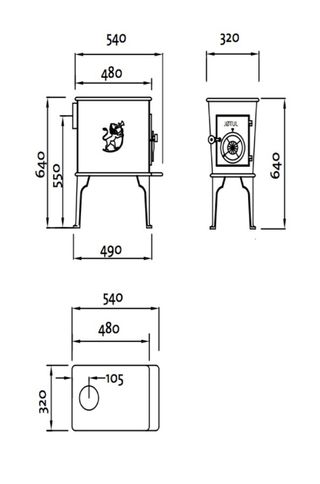
Estufa Jotul F520
Altura 1000 mm Anchura 594 mm Fondo 532 mm Peso aproximado 170 kg Tamaño de leña hasta 50 cm Salida de humos Ø 150 mm Opciones de salida de humos Superior Potencia nominal 7.0 kW Eficiencia 77 % Capacidad de calentamiento hasta 143 m² Capacidad de calentamiento (volumen) hasta 350 m³ ***Producto de exposición ***en Stock para entrega inmediata****
Estufa de leña y carbón jotul
Oferta solo este mes. estufa jotul 507, de carbón y leña, muy compacta pero calienta muchisimo, perfecto estado de todas las piezas interiores, sin grietas ni le falta nada. esmaltada q facilita la limpieza, 96 cm alto y 33 de ancho y fondo
Estufa Hierro Forjado Jotul Doble Puerta
Estufa de hierro forjado de la marca Jotul. Cuenta con un diseño de doble puerta. - Material: Hierro forjado. - Puertas: Doble puerta - Muy buen estado - Ancho : 34,5cm, - profondo: 48cm, - altura: 84cm.
Estufa de leña Jotul
Estufa de leña de la marca Jotul. Un clásico para calentar tu hogar. - Diseño robusto y duradero. - Acabado texturizado en color negro. - Hierro fundido.
Estufa de leña de fundición
Estufa de leña robusta y duradera, fabricada en fundición. Envío si se necesita, con pallex ibérica por todo España (95 euros suplemento) - Diseño clásico con puerta de cristal. - Chimenea integrada en la parte superior. - Base de madera para su soporte. Tiro aire inferior y muy poco uso, segunda residencia. Está perfecto medida interna: 57 cm ancho, 37 cm fondo y 45 cm alto y tubo 18 cm
Estufa de leña Scan 66 Jøtul
Estufa de leña moderna con un diseño ovalado y elegante. - Acabado exterior en negro. - Puerta con cristal transparente para ver el fuego. - Base/leñero de soporte negra. - Incluye un distintivo de calidad.
Estufa de leña Jotul
Estufa de leña Jotul en color negro. tiene rota la parede interna y la tapa del tiraje ( fotos), esta marca tiene recambios por lo que se puede sustituir - Diseño clásico y elegante. - Marco decorativo superior. - Puerta con cristal. - Asa lateral para apertura. -con ventilador interno para distribuir el calor
Casete Jotul Hierro Negro/Dorado
Casete Jotul de hierro en color negro y dorado. Se encuentra en perfecto estado, prácticamente nuevo. - Marco de metal. - Puerta de cristal.
Estufa de Gas natural, Jotul.. Decorativa Negra.
Estufa de gas decorativa, a estrenar. - Diseño moderno y elegante. - Acabado en negro.
Estufa Jotul
Funciona como estufa o chimenea si se dejan las puertas abiertas Pesa 145 kg aalida de humo 175mm Capacidad calentamiento 400 m3 Rendimiento 14,5 kw/h Capacidad de leña 12 kg
JOTUL C31 - Cassette Insertable con ventilador aut
Insertable Jotul C31 en perfecto estado. - Incluye turbina - Precio con turbina nuevo 2275,00€ - incluye decoración viga y maderas estructura decoración. - 5 metros de tubos de acero inoxidable
Estufa de leña nueva JØTUL F 3
estufa de leña nueva nunca se ha utilizado hierro fundido esmaltada en marron brillante para instalacion con chimenea (no incluida) base de laton de proteccion pavimento opcional ( 30€) pesa 160 kg lo indico para que quienes se plantean el envio tengan este dato y puedan informarse de opciones de transporte no gestiono el envio
Estufa de leña Jotul Negra y Dorada
Estufa de leña Jotul con un diseño elegante y funcional. - Marco frontal con rejilla superior e inferior. - Puerta con cristal para ver el fuego. - Detalle de logo en color dorado.
Estufa de leña Jotul F250 Negra
Estufa de leña Jotul F250 en color negro. Diseñada para aportar calidez y estilo a tu hogar. - Puerta con cristal. - Base metálica.
Estufa de leña de fundición Jotul F8
A restaurar (ver fotos) Estufa de leña Jotul F8 con un diseño clásico y robusto. - Fabricada en metal. - Ventana de cristal para ver el fuego. - Acabado en color negro y gris.
Estufa leña noruega casi nueva
Estufa de leña de diseño noruego, en excelente estado y casi sin uso. Aporta calidez y estilo a cualquier hogar. - Acabado superior en piedra. - Puerta frontal de cristal. - Compartimento inferior para leña.
Estufa de leña Jotul negra
Estufa de leña Jotul en color negro, con puerta de cristal para ver el fuego. Marca noruega de renombre mundial Nuevo precio: 3300 euros- Diseño moderno y elegante. - Compartimento inferior para almacenar leña.
Chimenea Jotul Negra
Chimenea de la marca Jotul, ideal para dar un toque acogedor a tu hogar. Se vende por falta de uso. - Diseño robusto y elegante. - Acabado en color negro. - Fabricada en metal de alta calidad.

Estufa de leña Jotul Negra
Estufa de leña de la marca Jotul. Un diseño clásico y funcional para tu hogar. - Fabricada en metal resistente. - Color negro elegante.
Chimenea JOTUL para encastrar
Chimenea marca JOTUL para encastrar con conducción de calor. - Marco exterior de metal negro. - Puerta frontal de cristal. - Rejillas decorativas en la parte superior e inferior.
ESTUFA ANTIGUA JOTUL NR507 – VINTAGE - 299€
🔥 **ESTUFA ANTIGUA JOTUL NR507 – JOYA VINTAGE EN HIERRO FUNDIDO** 🔥 ✨ **¡Dale un toque de elegancia y tradición a tu hogar!** ✨ Vendo esta **magnífica estufa antigua de hierro fundido**, marca **Jotul**, modelo **NR507**. Diseño único con **tres puertas con cerraduras giratorias** y un **impactante grabado de un caballo en el frente** 🐎. ✔ **Ideal para coleccionistas** o amantes de la decoración vintage ✔ Funcional y con gran capacidad térmica ✔ En buen estado con signos de uso propios de su antigüedad 33cm x 96cm 📍 **Ubicación:** Terrassa 💰 **Precio:** 299€ 📩 **¡No dejes escapar esta oportunidad!**
Casa adosada en alquiler en Artà
ALQUILER ANUAL/ TEMPORAL "Encantadora casa con vistas a las montañas y al mar, con dos patios exteriores, terraza i cuatro habitaciones" Acogedora y luminosa vivienda situada en una tranquila zona residencial, a solo 40 metros de la playa y en pleno centro de la Colonia de Sant Pere. Un entorno ideal para disfrutar de una estancia cómoda, relajante y rodeada de naturaleza. La casa destaca por su amplitud, sus múltiples espacios exteriores y sus espectaculares vistas las montañas. Distribución de la Casa * Entrada: Patio con ducha exterior que conecta con comedor y cocina, * Planta baja: Comedor, cocina, trastero-despensa y aseo con lavadora. Acogedor salón con estufa de leña Jotul y salida directa al jardin, con magníficas vistas a las montañas. Mobiliario funcional, listo para entrar a vivir * Jardín posterior: Con porche y mobiliario exterior, perfecto para relajarse al aire libre. * Planta primera: Cuatro habitaciones luminosas y un baño con ducha. * Segunda planta: Zona de estanterias y espacio para plancha con salida a una amplia terraza, que ofrece impresionantes vistas al Bahia de Alcudia y a las montañas. * Solárium: Gran solárium en la cubierta con vistas excepcionales al mar, montañas y costa. Equipamiento del Inmueble * Televisión * Cocina totalmente equipada: nevera, congelador, horno, microondas, lavavajillas, cafetera,.. . * Aire acondicionado en la sala, y estufa de leña Jotul. * Vajilla y cubertería * WIFI disponible Ubicación La vivienda se encuentra entre la plaza y la playa, a escasos metros de servicios esenciales como supermercado, farmacia y estanco. La Colonia de Sant Pere, un encantador pueblo de unos 1.200 habitantes, cuenta con puerto deportivo y un agradable paseo marítimo peatonal con restaurantes frente al mar.
































































































































































































































































































































































